Hjälp med elinstallation

Elsystem, laddning, batteri, lanternor, belysning, navigationssystem, radio och elektornik.

Moderator: Moderator

Tennisseglaren
Inlägg: 11
Blev medlem: 28 sep 2019 18:04
Been thanked: 1 time

Hjälp med elinstallation

Inlägg av Tennisseglaren »

Hej

I vår IF som köptes förra året kom det med 2 st batteier och en djungel med elkablar dragna kors och tvärs i hela båten. Enligt säljaren hade förra ägaren varit lite eltokig och gjort egna lösningar. Trots detta är elen till lanternorna avkapade vid mastfoten och som lekman kommer jag inte röra vid detta det minsta.

Jag står nu i valet och kvalet att antigen strippa båten helt på el och köra på stormlykta inne i båten när det är mörk och batteridrivna lanternor (finns det att köpa?) som ersättning för de eldrivna. Eller så anlitar jag en elektriker som får komma och se över vad som kan göras. Bifogad bild visar bara lite på hur det kan se ut nere i ruffen.

Hur har ni gjort med era båtar? Optimalt för mig hade varit fungerande lanternor som är kopplade till batteriet, samt möjligheten att kunna koppla in min autopilot utan krångel. Ljus nere i ruffen är såklart trevligt men inget måste i detta läge.

Vad föreslår ni att jag ska göra?

Tack på förhand!
Bilagor
jpeg.jpg
jpeg.jpg (52.13 KiB) Visad 12456 gånger
Jim
Inlägg: 114
Blev medlem: 27 aug 2018 17:30
Segelnummer: 1842
Båtnamn: Ila af Limhamn
Ort: Limhamn
Has thanked: 9 times
Been thanked: 21 times
Kontakt:

Re: Hjälp med elinstallation

Inlägg av Jim »

Min erfarenhet är att man oftast skall riva ut gamla el-system. Speciellt om man känner att det är oöverskådligt. Om du tittar på https://sutars.com/ så finns där en del tips. Söker du på "kopplingsschema" + "elsystem" + "båt" så lär du också hitta en hel del.

Man skall givetvis ha stor respekt för el även om det bara är ett 12 voltssystem. Samtidigt är det inte så svårt om man har lite kunskap och är noggrann.

Det finns batteridrivna nödlanternor https://www.seasea.se/el/belysning/lant ... ilanternor att köpa så du kan mycket väl lösa det så.

Det som du kanske behöver ström till är lanternor, om du vill ha detta. Jag skulle rekommendera en trefärgad topplanterna (helst i LED) som visserligen innebär lite extra arbete i masten men samtidigt innebär att strömförbrukningen minimeras i förhållande till att ha tre navigationsljus plus motorlanterna.

Sen har du en autopilot och det är väl den som är orsak till att det är två batterier i båten då autopiloten drar relativt mycket ström.

Sen skulle det kanske vara trevligt med lite ljus nere i båten. Ju fler lampor desto fler sladdar så om du håller dig till en eller två lampor så blir det enkelt.

En modern elpanel med inbyggda säkringar underlättar också.

Men om du absolut inte känner dig trygg med att göra det själv så skall du givetvis göra som du själv föreslår. Tänk bara på att all förbränning (stormlyckta) nere i båten kräver bra med tillförsel av luft.

Om du anlitar en elektriker se till at det är en som förstår sig på svagström och den speciella miljö som finns i båtar. Dvs att alla ingående elkomponenter skall tåla den fuktiga miljön som det är i båt.

Om du söker på forumet så finns det en del beskrivet om el-system i båt. Kolla även Johan Winbergs post om renoveringen av Infinit där det finns en del trevliga bilder på hans elsystem.
Nils D
Inlägg: 258
Blev medlem: 04 jun 2007 20:21
Ort: Linköping/Arkösund
Been thanked: 27 times

Re: Hjälp med elinstallation

Inlägg av Nils D »

Jim skrev: 31 mar 2020 12:27 Om du anlitar en elektriker se till at det är en som förstår sig på svagström och den speciella miljö som finns i båtar. Dvs att alla ingående elkomponenter skall tåla den fuktiga miljön som det är i båt.
Håller helt med om denna poäng. När jag köpte min IF för rätt många år sedan hade den ett nydraget elsystem som för en som ej kan mycket om el såg mycket imponerande ut. Och i flera fall var det också så. Men det var gjort av någon som saknade kunskaper om svagström i båt, så jag fick göra om det. Eller snarare, fick anlita ett proffs som gjorde om det så det blev rätt. Dyra lärpengar.
Nils D SWE-3008
Användarvisningsbild
johan swe-1870
Global moderator
Inlägg: 2529
Blev medlem: 24 aug 2006 09:43
Segelnummer: 1870
Båtnamn: InFinit
Ort: Råå
Has thanked: 117 times
Been thanked: 76 times
Kontakt:

Re: Hjälp med elinstallation

Inlägg av johan swe-1870 »

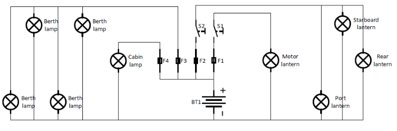
Elsystemet i en IF-båt är rätt enkelt uppbyggt. Fritt ur minnet har jag här ritat upp hur elschemat såg ut i original på min båt, i samband med att jag renoverade för några sedan.
Elschema IF-båt
Elschema IF-båt
elschema.png (45.05 KiB) Visad 12383 gånger
Alla interiörlampor har inbyggd brytare, så de visar jag inte. Det är ett ganska enkelt schema, utan sådana saker som man idag skulle vilja ha. Där saknas t ex huvudbrytare, huvudsäkring, apparatuttag, laddning, etc.

Schemat är ritat för att visa principen. I en båtinstallation dras i själva verket kablarna lite annorlunda.
Johan Winberg, SWE 1870 InFinit
Användarvisningsbild
maja
Moderator
Inlägg: 2881
Blev medlem: 19 aug 2006 09:56
Has thanked: 3 times
Been thanked: 64 times

Re: Hjälp med elinstallation

Inlägg av maja »

I IF-båtens handbok från Marieholm Boats finner man nedanstående kabelschema. Elschemat/principschemat är detsamma som i Johans bild, förutom att säkringarna 1 och 2 är omkastade.

Enligt boken ska kablarna vara märkta, vilket jag även har lagt märke till. Men jag har inte kollat om märkningen stämmer med dokumentationen.
Kabelschema IF-båt 1971002.jpg
Kabelschema IF-båt 1971002.jpg (47.97 KiB) Visad 12361 gånger
Kablarna är av typen dubbelledare av enklaste modell, och kan mycket väl komma från någon vanlig eltillbehörsbutik i trakten av varvet. Fördelen med dubbelledare är att, genom att strömmarna för + och - går i olika riktning i ledarens båda parter, så släcks de genererade magnetfältet ut och blir alltså inte störande.

Kablarna finns i allmänhet dragna under innertaket.

I min båt finns fortvarande orginalkablarna kvar. Jag har gjort några små modifieringar, men inte tagit bort något. Följande är ändrat:
  • Pulpitlanternan finns inte (men kabeln är kvar)
  • Ett cigguttag är monterat under hängskåpet på styrbordssidan, i närheten av säkringsdosan. Detta är anslutet till skenorna i säkringsdosan men har en egen (häng)säkring ( 8 ampère)
  • En 16 ampère automatsäkring är monterad i närheten av säkringsdosan på den inkommande batterikabeln. Den bryter både + och - och fungerar alltså som en kombinerad huvudsäkring och batteriavskiljare
  • Eftersom jag inte har något toppljus ("motorlanterna") har jag kunnat återanvända dess kabel och däckskontakt till en 3-kammars masttoppslanterna
  • Sidolanternorna och akterlanternan finns kvar som reserv
Marek, IF-båt SWE-829 "Ingela" från Lagunen i Malmö
Medlem i IF-båtförbundet sedan 1985
IF-båtägare sedan 1983
Användarvisningsbild
johan swe-1870
Global moderator
Inlägg: 2529
Blev medlem: 24 aug 2006 09:43
Segelnummer: 1870
Båtnamn: InFinit
Ort: Råå
Has thanked: 117 times
Been thanked: 76 times
Kontakt:

Re: Hjälp med elinstallation

Inlägg av johan swe-1870 »

Jag märkte när jag rev ut mina gamla originalkablar att de var väldigt styva. Jag tror att det beror både på att plasthöljet har åldrats och på att kopparledarna inuti har korroderat. Originalkablarna är av ganska enkel kvalitet. Så både fukt och syre kan säkert ta sig in och bryta ned kopparn. Vid fria ändar var kopparn kraftigt mörbrun och såg inte alls pålitlig ut.

Nuförtiden finns det bättre kablar att skaffa. En bra kabel ska vara uppbyggd av mångtrådiga förtennade ledare så att kopparn skyddas, både vid fria ändar och utefter kabelns längd. Förtenningen skyddar kopparn. Jag tror inte att ett isolerande hölje helt kan förhindra syre- och fuktgenomträngning, även om det minskar det en del.
Johan Winberg, SWE 1870 InFinit
Tennisseglaren
Inlägg: 11
Blev medlem: 28 sep 2019 18:04
Been thanked: 1 time

Re: Hjälp med elinstallation

Inlägg av Tennisseglaren »

Tack för er input, jag ska vid tillfälle fördjupa mig lite i ämnet och se vad som passar för oss, kommer i dagsläget enbart segla i dagsljus och kommer ev vänta tills nästa säsong att fixa elen om det är mycket arbete.
Skriv svar